Bonjour les Amis,
Une question, sur une B GT de 1973 il y a 1 où 2 vitesses sur les essuis glace?.
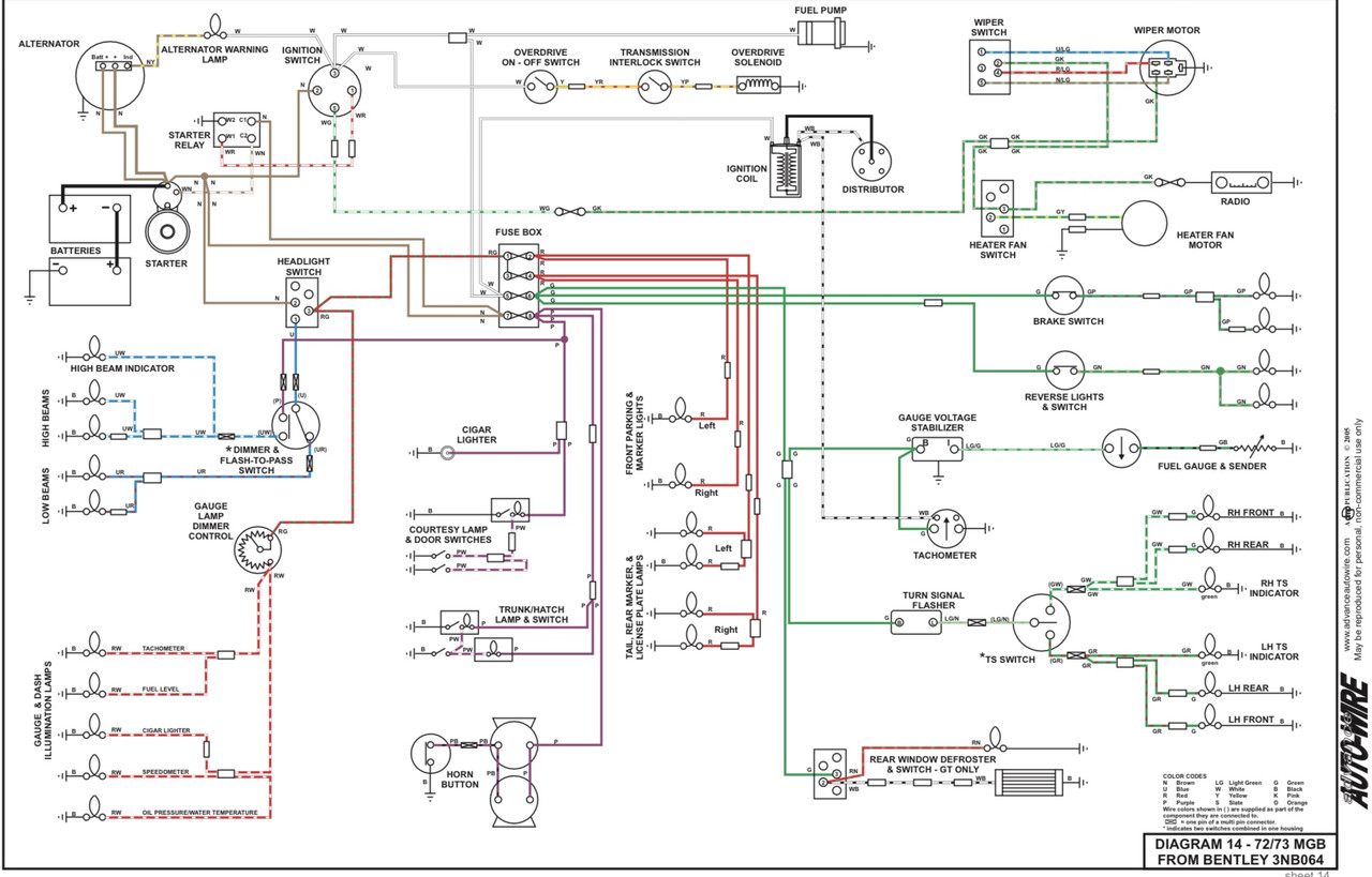
Je suis preneur aussi d'un schéma de branchement inter au tableau de bord.
A l'avance un grand merci de vos réponses.
MGcalement.
essui glace
-
MG85
- Messages : 181
- Enregistré le : 08 déc. 2019, 13:42
- Région : France - Pays de la Loire
- Type : B
- année : 1970
- Serie speciale : Boite Overdrive.
-
danv8
- .

- Messages : 2878
- Enregistré le : 28 sept. 2017, 20:15
- Région : France - Poitou-Charentes
Re: essui glace
Si le bouton de commande a deux (voir trois ) positions , il est fort probable que tu aies deux vitesses...
Je laisse à d'autres le soin de te mettre des schémas électriques pour ton modèle de 73.
Je laisse à d'autres le soin de te mettre des schémas électriques pour ton modèle de 73.
-
saby
- .

- Messages : 21542
- Enregistré le : 16 janv. 2012, 20:19
Re: essui glace
2 vitesses
sur ma mgb gt de 1972 il y a deux vitesses pour les essuie-glaces.
https://www.mgb-stuff.org.uk/wiper3.htm

sur ma mgb gt de 1972 il y a deux vitesses pour les essuie-glaces.
https://www.mgb-stuff.org.uk/wiper3.htm

- JMAU
- .

- Messages : 16474
- Enregistré le : 05 févr. 2012, 16:39
- Région : France - Bretagne
- Type : Plusieurs
- année : 1962
- Serie speciale : A Coupé 1600 Mk II 1962 - TF 135 2002
Re: essui glace
A partir de la Mk II, 1967 (GHN4/GHC4) les essuie-glace ont 2 vitesses.
-
MG85
- Messages : 181
- Enregistré le : 08 déc. 2019, 13:42
- Région : France - Pays de la Loire
- Type : B
- année : 1970
- Serie speciale : Boite Overdrive.
Re: essui glace
Merci à vous, auriez vous schéma où photos du branchement de l'interrupteur au tableau de bord, j'ai 4 fils de branché dessus. Merci à vous tous.
- Jidé de Grasse
- .

- Messages : 16007
- Enregistré le : 16 oct. 2008, 15:07
- Région : France - PACA
- Type : Plusieurs
- année : 1960
- Contact :
Re: essui glace
Saby te l'as donné. Les essuie glace sont en haut à droite du schéma
-
saby
- .

- Messages : 21542
- Enregistré le : 16 janv. 2012, 20:19
