Page 9 sur 17
Re: Re: Re: Re: [Yoko] MG B GT Year : 1974 - Clignotant qui s'allume juste un peu sans clignoté
Posté : 10 juin 2023, 18:40
par saby
une centralisation
?
quitte à passer pour un vieux schnock, sénile et rigide, il est préférable de ne pas « jouer » avec le faisceau électrique de la
mgb :-)
ou alors il faut fabriquer un faisceau électrique totalement indépendant du faisceau d’origine.
ceci dit …
Re: Re: Re: Re: [Yoko] MG B GT Year : 1974 - Clignotant qui s'allume juste un peu sans clignoté
Posté : 12 juin 2023, 07:15
par Yoko
J'ai trouvé d’où venait le soucis, est c'était bien la masse, qui était mal connecté.
bien vue Saby.
Le connecteur ne faisait pas vraiment son boulot ...
Le faisceau de la centralisation est séparé du reste.
Ayant juste besoin d'une alimentation, repris dés la boite à fusible.
J'aime la MGB pour son esthétique.
L'idée et de la rendre plus moderne, par des modernités. Sans changé son aspect.
Type centralisation, vitre électrique ...
Re: Re: Re: Re: [Yoko] MG B GT Year : 1974 - Clignotant qui s'allume juste un peu sans clignoté
Posté : 12 juin 2023, 07:40
par aimegb
Yoko a écrit : 12 juin 2023, 07:15
J'aime la MGB pour son esthétique.
L'idée et de la rendre plus moderne, par des modernités. Sans changé son aspect.
Type centralisation, vitre électrique ...
Faudrait peut être alors essayer de tâter de la MX 5 ( en oubliant....complétement l'anglaise MG ZT-T

) ?
Re: Re: Re: Re: [Yoko] MG B GT Year : 1974 - Clignotant qui s'allume juste un peu sans clignoté
Posté : 12 juin 2023, 12:25
par Yoko
Pas moyen, je n'aime pas les MX5.
Le style ne me convient pas.
Je reste convaincue, que l'ancien peu être jeune.
Il faut en prendre soin et l'adapter au nouveautés/facilités plus moderne.
Re: Re: Re: [Yoko] MG B GT Year : 1974 - Clignotant qui s'allume juste un peu sans clignoté
Posté : 13 juin 2023, 05:04
par aimegb
Avec l'ajout d'une centralisation , des vitres électriques etc...etc.... ,
............................................ est - ce encore dans l'esprit vintage de rouler dans une MGB ?
Re: Re: Re: Re: [Yoko] MG B GT Year : 1974 - Clignotant qui s'allume juste un peu sans clignoté
Posté : 13 juin 2023, 07:55
par Yoko
Pas tout à fait ... ou presque.
Je ne suis pas dans l'esprit vintage, 100% d'origine.
J'aime les belles chose, mais qui cache leur jeux.
Sur la MGBGT, j'aime sa ligne son esthétique son intérieur et pas mal d’autres choses, que je ne veux pas cacher mais valorisé.
Par contre, tout ce qui ne se voit pas, la je me permet de les rendre plus performantes, intuitives.
Re: Re: Re: Re: [Yoko] MG B GT Year : 1974 - Clignotant qui s'allume juste un peu sans clignoté
Posté : 13 juin 2023, 08:13
par Boris
Perso je pense qu'un allumage électronique par exemple cela modernise et fiabilise mais les vitres électriques ou la centralisation sur une MGB cela n'a rien de moderne, juste du confort si j'ose dire ... Mais chacun fait comme il veut

Re: Re: Re: Re: [Yoko] MG B GT Year : 1974
Posté : 13 juin 2023, 10:00
par Yoko
Oui, aussi ajouté du confort.
Plein de bonne chose plus récente, en 74, les seuls voiture à avoir des vitres électriques était du très haute de gamme.
Je pense qu'elle le mérite.
Quand aujourd'hui une voiture de base, et mieux équipé que les anciennes.
Re: Re: Re: Re: [Yoko] MG B GT Year : 1974 - Réglage train avant
Posté : 19 juin 2023, 18:05
par Yoko
Salut,
Petite question de réglage pour le train avant.
la roue de Gauche, à le pneu bien attaqué à l'intérieur :

- IMG_20230618_162513.jpg (126.99 Kio) Vu 3390 fois
Comment puis je faire le réglage, pour que cela ne continue pas.
Merci
Re: Re: Re: Re: [Yoko] MG B GT Year : 1974 - Réglage train avant
Posté : 19 juin 2023, 18:41
par saby
Comment
en ce qui me concerne, personnellement, moi-même, je fait régler le parallélisme chez mon marchand de pneumatiques, cela me coûte 67 euros.
il ne faut pas oublier que la dimension originale des pneumatiques était de 155R14, en admettant que l’épure de suspension ait été étudié pour. là on en est loin …
Re: Re: Re: Re: [Yoko] MG B GT Year : 1974 - Réglage train avant
Posté : 19 juin 2023, 18:54
par AMMG
Peut etre aussi vérifier que le train avant d' une conception anté déluvienne ( bague bronze sur tourillons et graissage ) ne mérite pas un controle complet avant réglage ?
Re: Re: Re: Re: [Yoko] MG B GT Year : 1974 - Réglage train avant
Posté : 19 juin 2023, 20:56
par Yoko
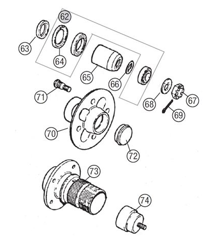
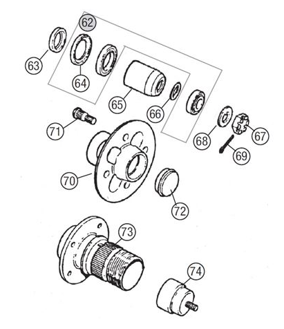
Est ce que cela sera la rondelle N°66 qui permet d'ajuster le réglage :

- Capture d’écran 2023-06-19 215401.png (103.29 Kio) Vu 3361 fois
Car sur le pneu qui est fortement usée, de ce coté il n'y a pas cette "rondelle" ...
Re: Re: Re: Re: [Yoko] MG B GT Year : 1974 - Réglage train avant
Posté : 19 juin 2023, 21:37
par saby
en effet la/les rondelles, il peut y en avoir plusieurs, permettent de régler le jeu dans les roulements coniques.
il est fort probable que l’usure des pneumatiques est plutôt issue d’un défaut de parallélisme, ou bien d’un autre défaut dans la géométrie des suspensions. les bancs de réglages moderne sortent toutes les valeurs d’angles dans les suspensions. il faut rappeler que sur la mgb seul le parallélisme est réglables
Re: Re: Re: Re: [Yoko] MG B GT Year : 1974 - Réglage train avant
Posté : 20 juin 2023, 06:33
par Yoko
Ok.
Pour le parallélisme, je vais le faire contrôlé.
Juste pour ma culture personnelle, ou se trouve les vis/écrous de réglage pour le parallélisme sur nos MGB ?
Re: Re: Re: Re: [Yoko] MG B GT Year : 1974 - Réglage train avant
Posté : 20 juin 2023, 06:53
par saby
pour régler le parallélisme il faut desserrer le contre écrou de la rotule de direction et visser ou dévisser la biellette de direction, en général le réglage se fait avec un demi tour de la biellette, puis resserrer le contre écrou
http://www.mgb-stuff.org.uk/tre.htm
Album MG
Re: Re: Re: [Yoko] MG B GT Year : 1974 - Réglage train avant
Posté : 20 juin 2023, 07:14
par JMAU
et régler les 2 biellette à la même longueur (même nombre de filets apparents.) volant position milieu...
Re: Re: Re: Re: [Yoko] MG B GT Year : 1974 - Réglage train avant
Posté : 20 juin 2023, 09:48
par Yoko
Ah ouais, ben la je vais avoir un soucis ...
Je vais essayer de le desserrer, mais au visuel, le pas de vis est bien abimé.
Elle tire bien droit pourtant.
Il vas me falloir faire un gros check de tout cela avant de l'envoyer en réglage.
cela devra attendre cette hiver, car cela me prendras un peu de temps pour que tout soit utilisable sereinement.
Re: Re: Re: Re: [Yoko] MG B GT Year : 1974 - Réglage train avant
Posté : 20 juin 2023, 10:37
par Orque
Pour ma TF midget cela n'a pas été possible, ils leur faut le logiciel concernant le véhicule pour régler le parallélisme. Et comme à cette époque, il n'existait pas !
Je suis allé chez un petit garagiste qui possède un ancien dispositif.

- Parallélisme.jpg (177.68 Kio) Vu 3299 fois
Re: Re: Re: Re: [Yoko] MG B GT Year : 1974 - Réglage train avant
Posté : 21 juin 2023, 09:55
par Yoko
Merci pour l'info.
J'ai fait check hier soir.
Il me restais deux goupille à mettre pour finir le remontage.
Et bien, je n'ai pas réussi à desserrer les contre écrous sur la tige de direction.
Il vas me falloir tout démonter pour que cela soit utilisable.
Re: Re: Re: Re: [Yoko] MG B GT Year : 1974 - Réglage train avant
Posté : 21 juin 2023, 13:29
par Santalier
"je n'ai pas réussi à desserrer les contre écrous sur la tige de direction."
sur la B GT, il y a qq années, même problème chez le garagiste pour le parallélisme, même en chauffant etc... , au final j'ai du revenir avec une nouvelle biellette et rotule. Il a tronçonné la biellette et remonté en réglant.
La MGB n'étant répertorié dans son programme de réglage, il avait créé une fiche "MORGAN"..... comme quoi, tout est possible.....
Bonnes routes en MG
Re: Re: Re: Re: [Yoko] MG B GT Year : 1974 - Réglage train avant
Posté : 22 juin 2023, 17:50
par jackylaroche
[quote=Orque post_id=733914 time=1687253876 user_id=6194
Je suis allé chez un petit garagiste qui possède un ancien dispositif.
[/quote]
Il existe aussi un dispositif (ancien mais encore utilisé) constitué de deux longues règles qu'on fixe sur chaque roue à l'aide de pinces. La mesure du parallélisme s'effectue grâce à la différence d'écartement entre les extrémités avant et arrière des deux règles. On devrait pouvoir trouver ce système (fabriqué, je crois me souvenir par Facom) chez un garagiste à l'ancienne. Il est plus précis que celui mentionné par Orque.
Re: Re: Re: Re: [Yoko] MG B GT Year : 1974 - Réglage train avant
Posté : 23 juin 2023, 09:34
par Santalier
jackylaroche a écrit : 22 juin 2023, 17:50
[quote=Orque post_id=733914 time=1687253876 user_id=6194
Je suis allé chez un petit garagiste qui possède un ancien dispositif.
Il existe aussi un dispositif (ancien mais encore utilisé) constitué de deux longues règles qu'on fixe sur chaque roue à l'aide de pinces. La mesure du parallélisme s'effectue grâce à la différence d'écartement entre les extrémités avant et arrière des deux règles. On devrait pouvoir trouver ce système (fabriqué, je crois me souvenir par Facom) chez un garagiste à l'ancienne. Il est plus précis que celui mentionné par Orque.
[/quote]
Yes! le système U70 et U75 de Facom que je découvre avec une "copie" .....
https://www.youtube.com/watch?v=gt2lwheDVPc
Re: Re: Re: [Yoko] MG B GT Year : 1974 - Réglage train avant
Posté : 23 juin 2023, 10:40
par JMAU
J'ai toujours pratiqué le parallélisme "à la ficelle";
Pour la A : c'est facile : angle pincement = ZéRO...
Pour une B : pincement de 1,5 à 2,4 mm au niveau de la jante.
viewtopic.php?t=37719
Re: Re: Re: [Yoko] MG B GT Year : 1974 - Réglage train avant
Posté : 26 juin 2023, 06:29
par Orque
Effectivement, avec les règles qui reportent les mesures à environ 2 m, c'est certainement beaucoup beaucoup plus précis.
Je trouve que celui de Facom doit être encore mieux. Mais en voyant le système de serrage sur la roue, qui est particulièrement ingénieux, comment le trouver ou pourquoi pas ce le fabriquer ?
Quelqu'un a une idée ?
Par contre, lorsque je vois l'usine à gaz que cela représente, pourquoi ne pas réfléchir à l'utilisation du laser.
J'ai vu une vidéo (qu'il va ma falloir retrouver) qui plaque une petite règle avec un laser contre la jante, réalise la mesure à 2m, déplace d'un demi-tour le véhicule, et de nouveau mesure. Ce qui donne l'écart. Bien entendu avec deux règles et laser.
Quand pensez-vous ?
Re: Re: Re: Re: [Yoko] MG B GT Year : 1974 - Réglage train avant
Posté : 26 juin 2023, 10:42
par Yoko
J'avais fait cela sur mon Camping Car ...
Un mètre de référence et une tige de 1metres pour faire le point.
Par contre, par manque de connaissances, je ne l'ai fait que vers l'intérieur.
Et cela m'a pris beaucoup de temps, et surtout je m'y suis repris plein de fois.
Avec l'appareil, j'aurais mis moins de temps, et cela aurait été plus efficace.