Page 2 sur 3
Re: Compte tours HS
Posté : 23 juin 2023, 21:14
par JMAU
AMMG a écrit : 03 juin 2023, 16:06
Pour obtenir 2,5µF, il suffit de monter 1 et 1,5 µF en série
NON!
Album MG
Album MG
Re: Compte tours HS
Posté : 23 juin 2023, 23:11
par AMMG
@ml35
2µF5, il faut les mettre en parallèle et non en série!
Amusant,
Personne d' autre que vous et avant vous n' a remarqué l' erreur volontairement introduite..., oui 1/C1+1/C2. Diable.
Re: Compte tours HS
Posté : 24 juin 2023, 07:43
par temp60
Allez zou, je siffle la fin de partie.
AMMG a écrit :Ce que j' avance sur ce sujet est controlable, vérifiable et prouvez l' inverse.
AMMG a écrit :Amusant,
Personne d' autre que vous et avant vous n' a remarqué l' erreur volontairement introduite...
Au risque de me répéter, AMMG, arrête, encore une fois, de tordre le sujet pour essayer de quand même avoir raison, ce serait plaisant pour le forum. Se tromper n'est pas une honte, détourner le sujet devient agaçant.
En arriver à prétendre avoir volontairement introduit une erreur pour ne pas avoir à reconnaitre celle-ci est d'une bassesse sans nom.
Sujet nettoyé pour préserver la clarté de celui-ci afin que les prochains lecteurs trouvent rapidement les réponses.
Re: Compte tours HS
Posté : 25 juin 2023, 08:14
par temp60
SUjet nettoyé pour préserver la clareté de celui-ci afin de faciliter les recherches des prochains lecteurs.
Mais, au fait...Monsieur AMMG...
ttersu a écrit : 03 juin 2023, 10:28
Pourquoi ne pas faire preuve de retenue pour une fois et cesser de vouloir encore et toujours chercher un nouvel angle d'attaque pour pouvoir essayer d'avoir quand même raison?
Tu t'es planté, ce n'est pas un drame. Tais-toi et avance.
J'ajoute que toute dérive de ta part entrainera (encore) une demande de bannissement. Tiens-toi à carreaux. Merci
quand on joue avec le feu, on se brûle!
Le sujet sera re-nettoyé dans un avenir proche.
Re: Compte tours HS
Posté : 29 déc. 2023, 19:08
par TheoG
Bonjour
pour revenir au probleme
j'ai toujours le probleme
a bas regime ( ralentit ) le compteur a l'air ok mais apres j'ai l'impression qu'il ne monte pas assez vite et n'as pas la bonne valeur affiché
bien en dessous de la réalité
Re: Compte tours HS
Posté : 29 déc. 2023, 21:14
par saby
le problème
si vous avez des talents d’électronicien il faudrait ausculter les différents composants, sinon faire réviser le compte-tours.
Album MG
Re: Compte tours HS
Posté : 31 déc. 2023, 10:45
par jackylaroche
En admettant que l'indicateur n'a pas de problème mécanique (axe d'aiguille plus ou moins grippé), la panne provient en général du condensateur C2 (voir le schéma de Saby) : ce genre de composant vieillit mal.
La réparation est relativement facile. D'abord déposer le compte tour ce qui demande quelques contorsions sous le tableau de bord. Puis démonter la carcasse en enlevant avec précaution le tour de vitre (le tourner pour amener les ergots en face des encoches) puis les 2 vis du fond. Sortir le mécanisme.
Le condensateur est assez facile d'accès. C'est le plus gros cylindre placé verticalement sur le bord du circuit. Il faudra trouver un condensateur de remplacement chez un fournisseur de composants (220 ou 270 nF car 250nF ne se trouve plus). Utiliser un fer à souder fin.
Re: Compte tours HS
Posté : 03 janv. 2024, 11:58
par TheoG
Je vais redemonter et essayer de vous faire le plus de photos possible
Re: Compte tours HS
Posté : 09 janv. 2024, 11:55
par bernard47
https://www.amazon.fr/universel-tachym% ... =8-70&th=1
J'ai remplacé compte tour mecanique de ma mg td par ce compte tour .J'ai bien sur garde le boitier , et le cadran du compte tour original .
Seule l'électronique a été récupérée.
L'avantage de ce compte tour , est qu'il est etalonnable .
Il convient donc tres bien pour votre compte tour gradue a 7000 trm .
Re: Compte tours HS
Posté : 22 janv. 2024, 16:59
par TheoG
voici des nouvelles avec des photos
des idées pour mon comte tour mouuuuu

- IMG_3855.JPG (328.74 Kio) Vu 2505 fois

- IMG_3854.JPG (243.06 Kio) Vu 2505 fois
Re: Compte tours HS
Posté : 22 janv. 2024, 18:21
par saby
photos
avec des photographies on ne peut juger de la qualité des composants, cause, peut être, du problème. il a été dit que le problème pouvait venir du condensateur, peut être le machin bleu, envisagez de le changer
Album MG
Re: Compte tours HS
Posté : 22 janv. 2024, 19:15
par Snakeed14
Le composant sous le condensateur à l'air abimé, je pense que c'est une résistance ???
En tout cas comme l'a précisé Saby, il faut commencer par changer le condensateur, c'est souvent lui le fautif.
Re: Compte tours HS
Posté : 23 janv. 2024, 08:46
par TheoG
j'ai de quoi souder etc mais niveau electricité... il y a une reference ? si vous avez un lien pour commander ca c'est gentil
Re: Compte tours HS
Posté : 23 janv. 2024, 09:02
par saby
référence
il n’y a pas de référence, il faut acheter un condensateur de 220 ou 270 uF.
Album MG
Re: Compte tours HS
Posté : 23 janv. 2024, 09:13
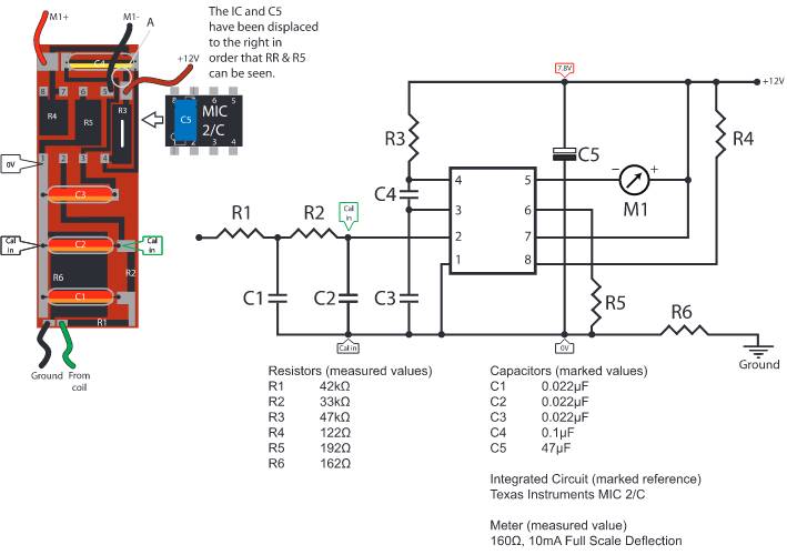
par Orque
B 1980 donc Compte-Tours Smith RVC 1410/AF
Avec le bon schéma et les points de test, ce sera plus facile.
Déjà remplacer les 4 condensateurs polyester craquelés sans trop chauffer le CI sous peine de décoller casser les pistes.
si vous avez un lien pour commander ca c'est gentil
Mouser, Conrad..., et tous revendeurs radio, TV locaux.
Il existe un code de couleur pour coder la valeur des condensateurs voir document joint.
Les valeurs sont données sur le schéma.

- RVC 1410 AF.jpg (37.85 Kio) Vu 2455 fois
Re: Compte tours HS
Posté : 24 janv. 2024, 15:33
par jackylaroche
Je conseillerais, comme Orque le dit de changer les 4 condensateurs mylar et aussi le polarisé de 47 micro. Pour travailler proprement, utilises un fer à bec fin et de la tresse à dessouder qui permettra un démontage sans violence et déboucher facilement les trous du circuit imprimé.
Le schéma de ton compte tour est celui fourni par Orque (origine ou adaptation?), celui de Saby correspond au modèle monté d'origine au moins jusqu'en 1970 (ou plus?).
Re: Compte tours HS
Posté : 25 janv. 2024, 11:04
par TheoG
Bonjour merci pour votre aide
Voici mon panier
C'est bien ca ?

- Capture d’écran 2024-01-25 à 11.03.13.png (349.08 Kio) Vu 2396 fois
Re: Compte tours HS
Posté : 25 janv. 2024, 12:40
par Snakeed14
Pour les 2 premiers oui mais pour le condensateur électrolytique c'est un 47µf et non un 220µf
Re: Compte tours HS
Posté : 25 janv. 2024, 14:18
par Orque
C'est écrit dessus, sur le schéma :
C1-C3 0,022F 230V non polarisés
C4 0,1µF-230V non polarisé
Les 230V de tension déjà en place doivent encaisser les décharges primaire bobine.
Pour les recherches, sur n'importe quel moteur de recherche entrer : " Condensateurs polyester 0,022µF-230V " pour C1-C3, et ainsi de suite pour C4.
Re: Compte tours HS
Posté : 25 janv. 2024, 15:23
par TheoG
donc aucun de bon ?
je ne trouve pas sur conrad alors
Re: Compte tours HS
Posté : 25 janv. 2024, 21:08
par TheoG
et pas si facile en cherchant sur google

- Capture d’écran 2024-01-25 à 21.07.23.png (684.36 Kio) Vu 2339 fois
Re: Compte tours HS
Posté : 26 janv. 2024, 09:56
par Snakeed14
Je pense que ceux là devraient correspondre :

Re: Compte tours HS
Posté : 26 janv. 2024, 20:14
par TheoG
Commande ok
il y a un sens pour les composants pour souder ?

- Capture d’écran 2024-01-26 à 20.12.38.png (280.62 Kio) Vu 2262 fois
Re: Compte tours HS
Posté : 26 janv. 2024, 20:35
par Snakeed14
Seul le C5 à un sens. Sur la photo de ton compteur, le rond noir autour du condensateur correspond au "-".
Re: Compte tours HS
Posté : 26 janv. 2024, 23:03
par TheoG
super merci